Не горит подсветка управления отопителем Volkswagen Golf

Messir
17.06.13  | 
17.06.13 | 


to Olesja: Ужас, сколько лишних действий... инвертор ставить - это уже космические технологии

Может дешевле купить нитку на 12В?



Olesja: снимать не буду,ухохочатся надо мной. #

Тут Вы не правы. У нас на форуме очень уважительно относятся к любым вопросам по ремонту, а особенно к личному опыту ремонта и обслуживания авто.


На Autopeople с 2010 г
Olesja
18.06.13  | 
18.06.13 | 


to Генеральный Секретарь: так сама нитка на 12 вольт,только оказалось что выход у неё на 110 вольт.
я в этом профан,но мой знакомый мерил.вход-12 вольт,а выход 110.

Messir
18.06.13  | 
18.06.13 | 
Olesja: to Генеральный Секретарь: так сама нитка на 12 вольт,только оказалось что выход у неё на 110 вольт.
я в этом профан,но мой знакомый мерил.вход-12 вольт,а выход 110. #

Здесь что-то не так. У нитки, как у просто лампочки, нет входа и выхода - только вход, т.е. только место подключения.


На Autopeople с 2010 г
Olesja
18.06.13  | 
18.06.13 | 


to Генеральный Секретарь: не могу ответить,в бумаге,которая пришла с ниткой,стоит 12 вольт.

kuembala
18.06.13  | 
18.06.13 | 

to Olesja: вы можете дать ссылку на ресурс где заказывали или озвучить все что написано в этой бумажке

эксперт раздела
«Электрика»
xekxek
18.06.13  | 
18.06.13 | 
Olesja: так сама нитка на 12 вольт,только оказалось что выход у неё на 110 вольт #

Вот вам схема подключения.

эксперт раздела
«Электрика»
xekxek
18.06.13  | 
18.06.13 | 

ссылка на преобразователь

(не реклама)

еще ссылка


тут большой выбор


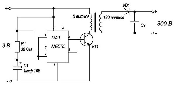
Ну и конечно для радио любителей,схемка.

Messir
18.06.13  | 
18.06.13 | 


to xekxek: Так получается, что сама нитка на 110В?


На Autopeople с 2010 г
эксперт раздела
«Электрика»
xekxek
18.06.13  | 
18.06.13 | 
Генеральный Секретарь: to xekxek: Так получается, что сама нитка на 110В? #

Да,а герцы это мощьность(чем длинее нить-тем выше нужно герцов)

тут кстати очень хорошие преобразователи,по хорошим ценам(не реклама)

Лично у меня был этот я его к сабвуферу приделал,прикольно было

Olesja
19.06.13  | 
19.06.13 | 


to Генеральный Секретарь:

xekxek: Да,а герцы это мощьность(чем длинее нить-тем выше нужно герцов)
тут кстати очень хорошие преобразователи,по хорошим ценам(не реклама)
Лично у меня был этот я его к сабвуферу приделал,прикольно было #

вот именно такая нить у меня и есть.но у меня вопрос,что-то у меня не связывается...если нитка 110 вольт,то зачем было заказывать инвертёр,который превращает нитку из 12 вольт в 110? кстати,я попробовала подсоединить к инвертеру,с ней горит

Olesja
19.06.13  | 
19.06.13 | 

на днях буду клеить к панельке и подсоединять нить...как сделаю,отпишусь и фото скину......

оу,чуть не забыла,саму нить-то обрезать можно?я так понимаю,у неё диодная лампа в самом начале а дальше просто отражающая нить или как?

Olesja
23.06.13  | 
23.06.13 | 

ну вот в общем-то что у меня получилось...

нить я отрезала без проблем...напугали вы меня со своими герцами,скажу я вам...

12


ПОИСК ПО САЙТУ


Наши автомобильные эксперты отвечают на все ваши вопросы. Зарегистрируйтесь и задайте вопрос.

Справочник такси поможет вызвать такси в вашем городе максимально дешево и быстро:


МЫ В СОЦ.СЕТЯХ
zen
pulse
telegram
vk

2007—2022. Сетевое издание «Автопипл». Возрастные ограничения: 16+
Почта редакции hkdkest@mail.ru
Телефон +7(499)490-76-06