Ремонт блока управления отопителем. Нужна схема. ВАЗ 2112

dm_tr_ch

проблема в следующем:
печка не работает на 4 скорости(блок управления без автоматического режима 0-1-2-3-4). разобрал блок - ощущение, что его уже ковыряли, провода, идущие к регулятору скорости вентилятора по моему перепутаны, с обратной стороны на плате перемычка какая-то напаяна. пробовал переставить провода как должны быть(вроде бы) - 4 скорость появляется, зато первые 3 пропадают. думал проблема в дополнительном резисторе. поменял - результата ноль. хотелось бы точно убедиться в правильном подключении проводов. сколько искал в инете только блоки с автоматом. может у кого есть фото монтажной платы такого блока, желательно с двух сторон. отправьте пожалуйста. заранее благодарен.

Модератор
Авто)(модер
25.01.16  | 
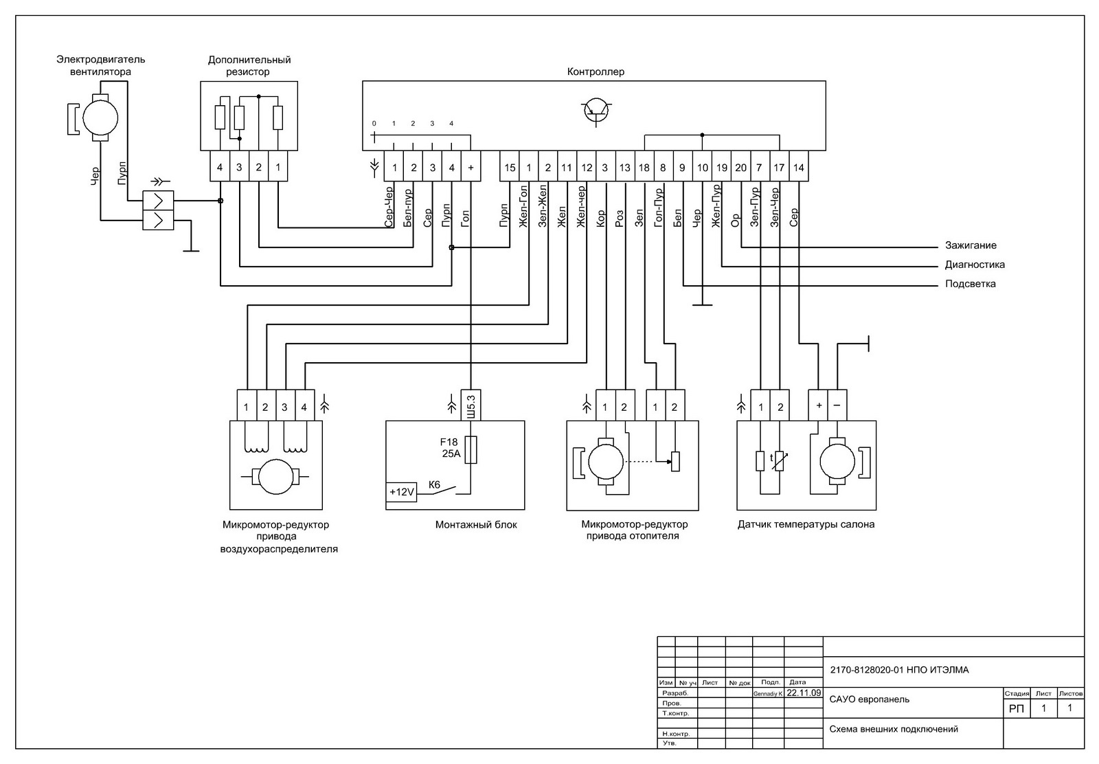
25.01.16 | 


to dm_tr_ch:

Если у вас на переключателе режимов моторчика 4-е положения, значит у вас так.наз. европанель.

Вот схема:


Форум не экспертная комиссия. Все мнения и советы имеют рекомендательный характер. Ответственность за принятые решения по ремонту, лежит полностью на пользователе.


ПОИСК ПО САЙТУ


Наши автомобильные эксперты отвечают на все ваши вопросы. Зарегистрируйтесь и задайте вопрос.

Справочник такси поможет вызвать такси в вашем городе максимально дешево и быстро:


МЫ В СОЦ.СЕТЯХ
zen
pulse
telegram
vk

2007—2022. Сетевое издание «Автопипл». Возрастные ограничения: 16+
Почта редакции hkdkest@mail.ru
Телефон +7(499)490-76-06