Дальний свет ВАЗ 21099

Ястреб

Скажите пожалуйста. Поставил новые лампы в фары. Сначала все горело, замечательно. Затем перестал вкл дальний свет, ближний вкл. Проверил контакты, провода все в порядке. Вкл дальний, перестает ближний гореть но и дальний не вкл. Возможно ли это что переключатель замыкает? Или кнопка вкл габаритов и ближнего света? как это можно проверить, без помощи других переключателя и кнопки!!! Что-бы не покупать, что-бы потом валялась если не в этих деталях дело.

Модератор
Авто)(модер
06.12.16  | 
06.12.16 | 


to Ястреб:

Ни фига не понятно с вашими "вклами и выклами". Лампы поставили штатной мощности или повышенной?? Кнопка габаритов, это выключатель наружного освещения??


Форум не экспертная комиссия. Все мнения и советы имеют рекомендательный характер. Ответственность за принятые решения по ремонту, лежит полностью на пользователе.
Ястреб
06.12.16  | 
06.12.16 | 

Включение (вкл). А кнопка габаритов стоит на панели, там где и включается аварийка, туманка, обогрев заднего стекла. А кнопка включает габариты и ближний свет фар!

Модератор
Авто)(модер
06.12.16  | 
06.12.16 | 


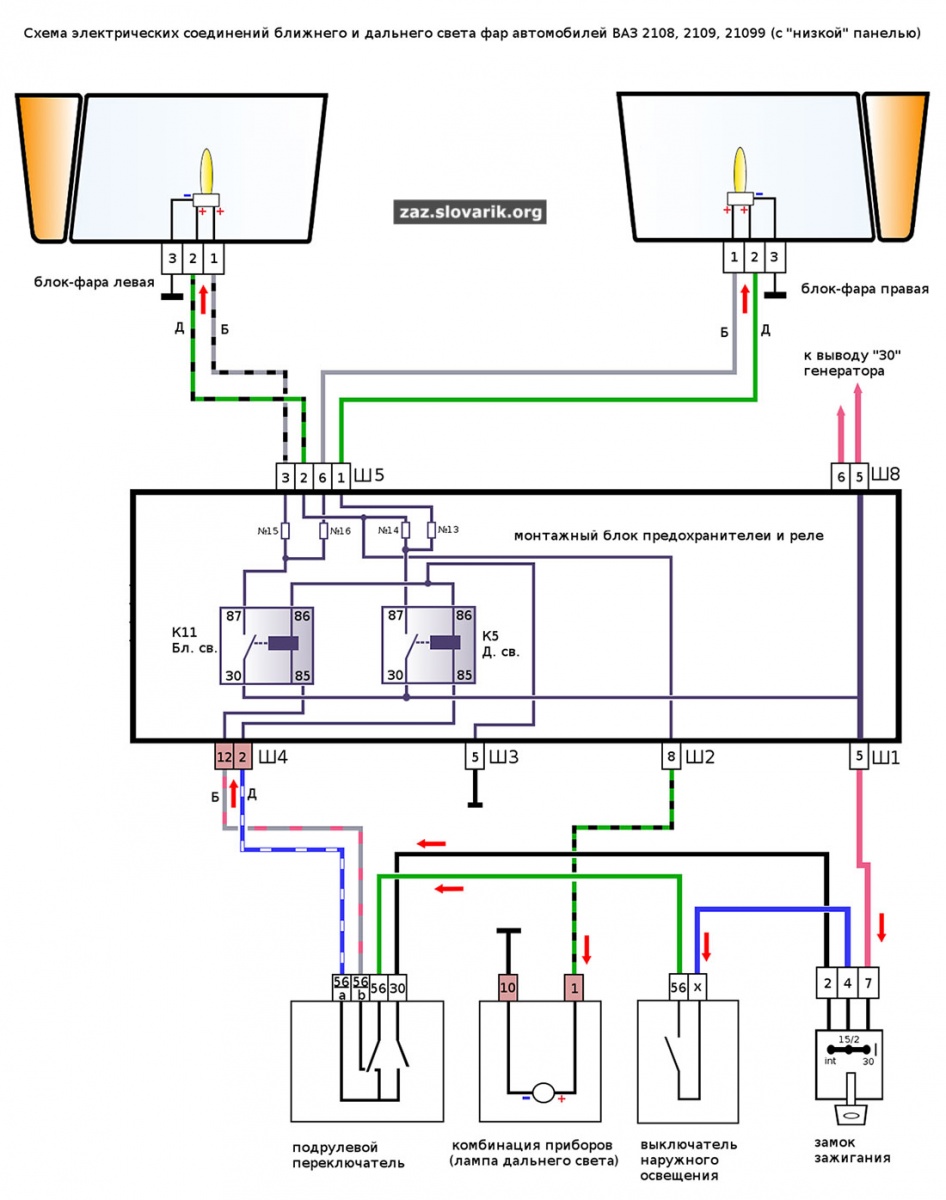
to Ястреб: Вот ваша схема, на ней всё предельно ясно, откуда, что и куда.


Форум не экспертная комиссия. Все мнения и советы имеют рекомендательный характер. Ответственность за принятые решения по ремонту, лежит полностью на пользователе.
Ястреб
06.12.16  | 
06.12.16 | 


to Авто(дед): Спасибо все предельно ясно. Я думаю что скорее всего накрылось реле. Не знал что есть еще и реле на переключение с ближнего на дальний свет. И понятно под каким номером стоит реле!

Ястреб
06.12.16  | 
06.12.16 | 

to Авто(дед): Лампы стоят штатные 55-60,покупал новые, фирма Филипс.

Модератор
Авто)(модер
06.12.16  | 
06.12.16 | 
Ястреб: Я думаю #

Думать, оно конечно полезно, но проще взять "контрольку" и прозвонить куда плюс приходит, куда нет и где "кончается".

Не забывать, что вторым проводом электрики является корпус авто.(масса)


Форум не экспертная комиссия. Все мнения и советы имеют рекомендательный характер. Ответственность за принятые решения по ремонту, лежит полностью на пользователе.


ПОИСК ПО САЙТУ


Наши автомобильные эксперты отвечают на все ваши вопросы. Зарегистрируйтесь и задайте вопрос.

Справочник такси поможет вызвать такси в вашем городе максимально дешево и быстро:


МЫ В СОЦ.СЕТЯХ
zen
pulse
telegram
vk

2007—2022. Сетевое издание «Автопипл». Возрастные ограничения: 16+
Почта редакции hkdkest@mail.ru
Телефон +7(499)490-76-06