Не заводится и все время горит панель приборов Peugeot 206

Sasha11111111
Все доброго времени помогите советом что делать? Вставляю ключ зажигания проварачиваю загарается панель приборов и габариты хотя все выключено и больше ничего не работает не дворники не поворотники не как не реагируют пробую заводить не заводится стартер крутит и насос качает все предохранители целые что это может быть? Может кто сталкивался с таким?
Модератор
Авто)(модер
03.02.19  | 
03.02.19 | 


to Sasha11111111:

Какая надпись появляется на дисплее?? ECO-MOD??


Форум не экспертная комиссия. Все мнения и советы имеют рекомендательный характер. Ответственность за принятые решения по ремонту, лежит полностью на пользователе.
Sasha11111111
04.02.19  | 
04.02.19 | 
У меня вроде как нет такой функции и кнопки красной нету под капотом
Модератор
Авто)(модер
04.02.19  | 
04.02.19 | 
Sasha11111111: У меня вроде как нет такой функции и кнопки красной нету под капотом

Не путайте. Речь не об аварийном размыкателе цепи бензонасоса, (так называемой красной кнопке) а о функции защиты аккумулятора от забывчивых автовладельцев.

Попробуйте отключить аккумулятор минут на 15, должно помочь, если это "ОНО".


Форум не экспертная комиссия. Все мнения и советы имеют рекомендательный характер. Ответственность за принятые решения по ремонту, лежит полностью на пользователе.
Sasha11111111
04.02.19  | 
04.02.19 | 
На всю ночь отключал акамулятор эффект тот же крутит в холостую и все а еще не открывается с пульта. И щас пробовал другой акамулятор ставить не помогло
Модератор
Авто)(модер
04.02.19  | 
04.02.19 | 


to Sasha11111111:

В 206-м источник многих проблем, подкапотный монтажный блок, (блок предохранителей) окисляются и разрушаются контакты на тыльной стороне блока.

предохранители целые

Предохранители как проверяли?? Визуально, "на глаз"??


Форум не экспертная комиссия. Все мнения и советы имеют рекомендательный характер. Ответственность за принятые решения по ремонту, лежит полностью на пользователе.
Sasha11111111
04.02.19  | 
04.02.19 | 
Весь блок разбирал,не каких повреждений и окисления не видел все контакты и предохранители целые
Модератор
Авто)(модер
04.02.19  | 
04.02.19 | 
Sasha11111111: все контакты и предохранители целые #

Не бывает проблем без причины. Значит не все проверили. Работу замка зажигания (его контактную группу) проверяли.

Ещё раз повторяю вопрос - Предохранители как проверяли?? Визуально, "на глаз"??

--------------------------------------

Проверяйте предохранители, но не визуально, а на месте, по наличию напряжения на их контрольных выводах, лампой или авто индикатором.


Форум не экспертная комиссия. Все мнения и советы имеют рекомендательный характер. Ответственность за принятые решения по ремонту, лежит полностью на пользователе.
Sasha11111111
05.02.19  | 
05.02.19 | 
Звонил специалисту спрашивал у него он гобариты что возможно на замке зажигание отошел один контакт плюса и поэтому не заводится машина. Вопрос а там несколько плюсов что ли?
Модератор
Авто)(модер
05.02.19  | 
05.02.19 | 
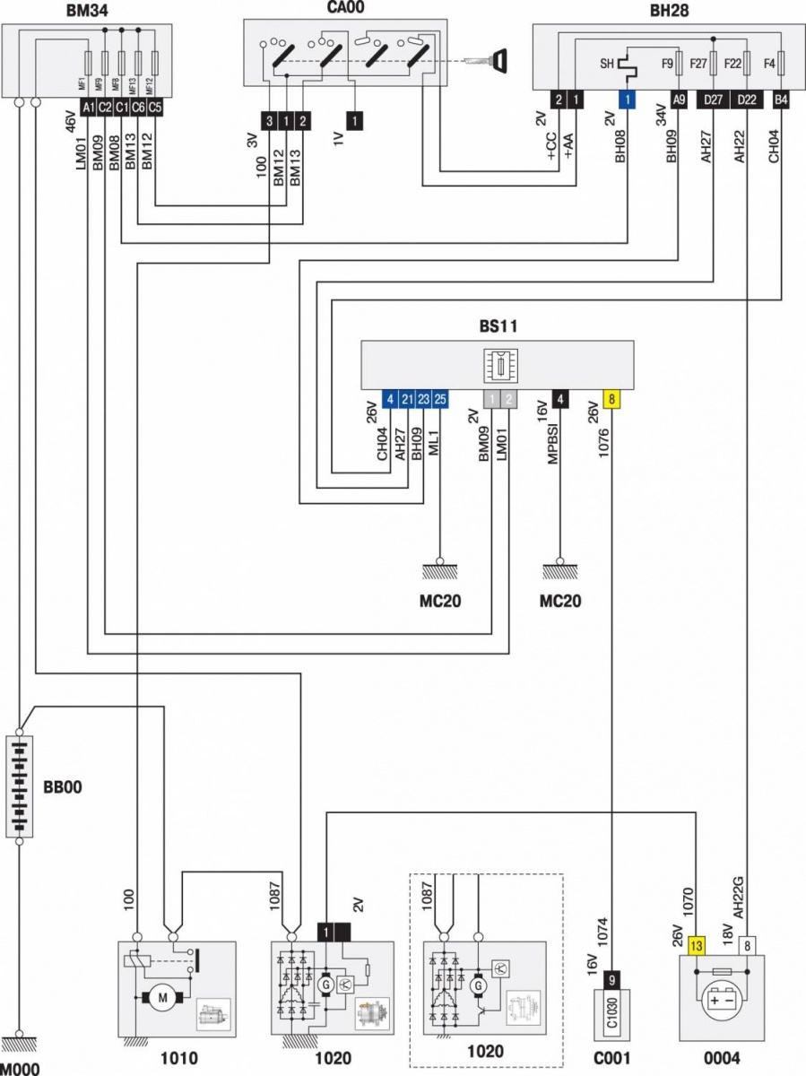
Sasha11111111: Вопрос а там несколько плюсов что ли? #

Да...и подаются через разные предохранители ↓


Форум не экспертная комиссия. Все мнения и советы имеют рекомендательный характер. Ответственность за принятые решения по ремонту, лежит полностью на пользователе.


ПОИСК ПО САЙТУ


Наши автомобильные эксперты отвечают на все ваши вопросы. Зарегистрируйтесь и задайте вопрос.

Справочник такси поможет вызвать такси в вашем городе максимально дешево и быстро:


МЫ В СОЦ.СЕТЯХ
zen
pulse
telegram
vk

2007—2022. Сетевое издание «Автопипл». Возрастные ограничения: 16+
Почта редакции hkdkest@mail.ru
Телефон +7(499)490-76-06