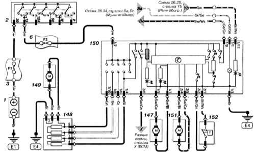
Astra G Принципиальная схема. Система кондиционирования Opel Astra

Al403


ПОИСК ПО САЙТУ


Наши автомобильные эксперты отвечают на все ваши вопросы. Зарегистрируйтесь и задайте вопрос.

Справочник такси поможет вызвать такси в вашем городе максимально дешево и быстро:


МЫ В СОЦ.СЕТЯХ
zen
pulse
telegram
vk

2007—2022. Сетевое издание «Автопипл». Возрастные ограничения: 16+
Почта редакции hkdkest@mail.ru
Телефон +7(499)490-76-06