Генератор работает при проверке на стенде, на автомобиле не работает Ford Mondeo

ford 1995

Доброго времени суток!

На панели загорелся индикатор аккумулятора не доехал до места назначения сел аккумулятор, отбуксировал на сто проблема была в Генераторе, сгорел диодный мост в генераторе, поменял диодный мост за одно и щетки, проверили на стенде зарядку дает 14,5 вольт.

Установили генератор на авто зарядку не дает индикатор аккумулятора горит не можем понять почему, в чем может быть проблема.

Автомобиль форд мондео 1-го поколения 1995 года 2,5 объем двигателя. Буду очень благодарен.

Модератор
Авто)(модер
07.06.17  | 
07.06.17 | 


to ford 1995:

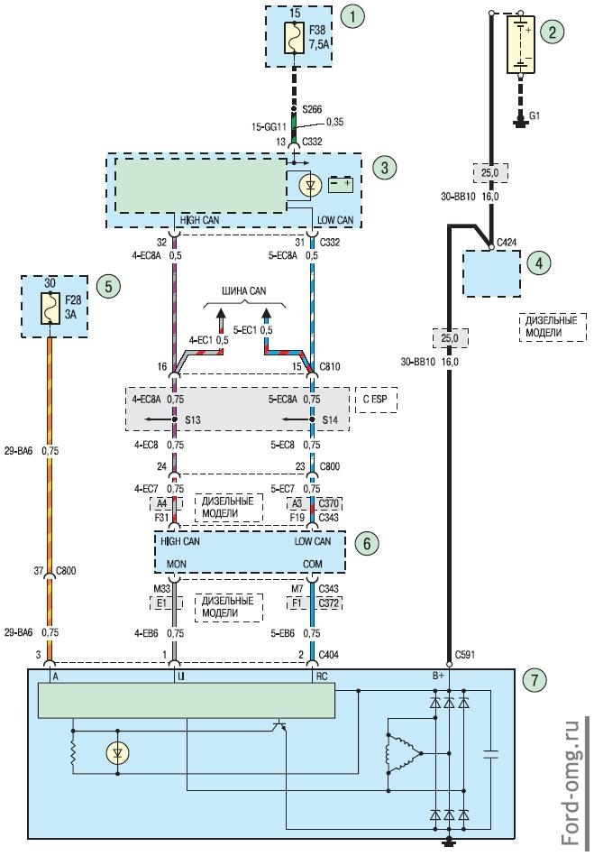
Не приходит опорное напряжение на генератор, (обрыв провода, сгорел предохранитель)

При ремонте поставили в гену не "родной" реле регулятор. С каким попало работать не будет.


Форум не экспертная комиссия. Все мнения и советы имеют рекомендательный характер. Ответственность за принятые решения по ремонту, лежит полностью на пользователе.
ford 1995
07.06.17  | 
07.06.17 | 

Предохранитель подскажите где находится на него.

Модератор
Авто)(модер
07.06.17  | 
07.06.17 | 


to ford 1995:

Под капотом. На схеме блочок №5 предохранитель F28


Форум не экспертная комиссия. Все мнения и советы имеют рекомендательный характер. Ответственность за принятые решения по ремонту, лежит полностью на пользователе.


ПОИСК ПО САЙТУ


Наши автомобильные эксперты отвечают на все ваши вопросы. Зарегистрируйтесь и задайте вопрос.

Справочник такси поможет вызвать такси в вашем городе максимально дешево и быстро:


МЫ В СОЦ.СЕТЯХ
zen
pulse
telegram
vk

2007—2022. Сетевое издание «Автопипл». Возрастные ограничения: 16+
Почта редакции hkdkest@mail.ru
Телефон +7(499)490-76-06