Загорается зарядка поле запуска двигателя Ford Kuga

Kuga2012

Загорается лампочка зарядки после пуска двигателя через некоторое время , всегда по разному может работат пол дня, может 10 мин поле движения , может через 5мин . Проверял питания на красном проводе *12в , на белом 10в , на синем на смог точно проверить потому-то на эбу идёт три синих провода .у кого нибуть есть схема с распиловкой генератора ???

Модератор
Авто)(модер
01.03.18  | 
01.03.18 | 
Kuga2012: на синем на смог точно проверить потому #

На нём импульсное напряжение, простым вольтметром не замеряется.

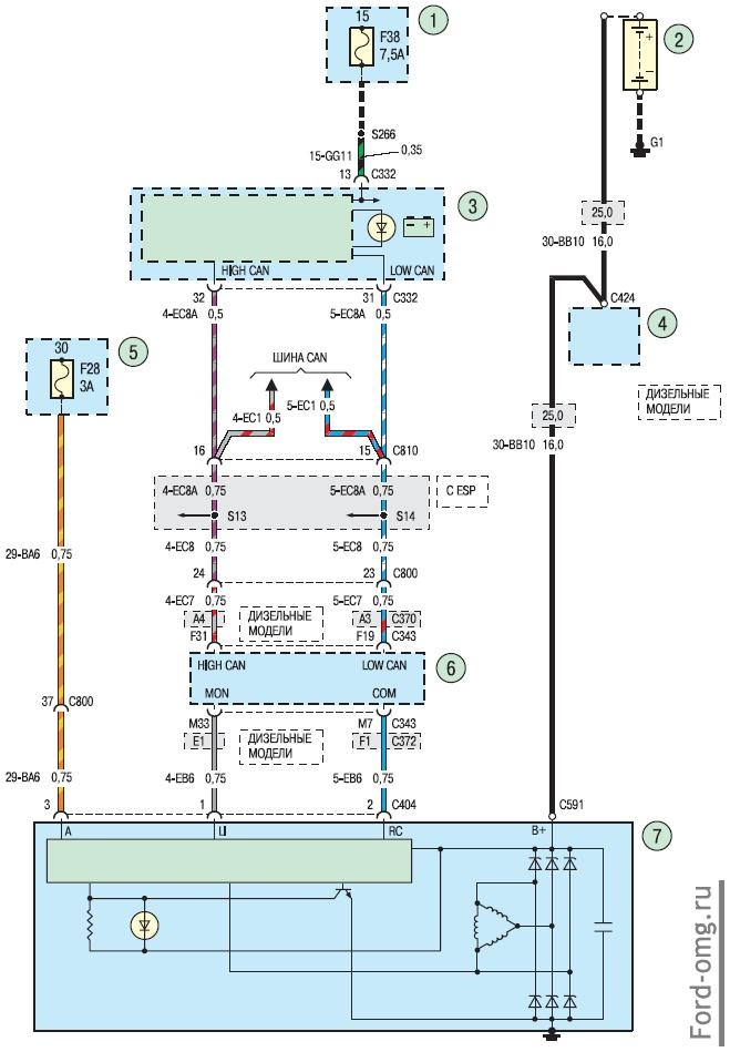
Я публиковал схему зарядки, найду повторюсь. Может просто щётки кончаются?? Проверяли??


Форум не экспертная комиссия. Все мнения и советы имеют рекомендательный характер. Ответственность за принятые решения по ремонту, лежит полностью на пользователе.
Модератор
Авто)(модер
01.03.18  | 
01.03.18 | 


to Kuga2012:


Форум не экспертная комиссия. Все мнения и советы имеют рекомендательный характер. Ответственность за принятые решения по ремонту, лежит полностью на пользователе.


ПОИСК ПО САЙТУ


Наши автомобильные эксперты отвечают на все ваши вопросы. Зарегистрируйтесь и задайте вопрос.

Справочник такси поможет вызвать такси в вашем городе максимально дешево и быстро:


МЫ В СОЦ.СЕТЯХ
zen
pulse
telegram
vk

2007—2022. Сетевое издание «Автопипл». Возрастные ограничения: 16+
Почта редакции hkdkest@mail.ru
Телефон +7(499)490-76-06