Выскакивает ошибка по дроссельной заслонке Ford Focus

Zyaba

Всем доброго дня

Подскажите, выскакивает ошибка дросельная заслонка что можно сделать? Или замена неизбежна? Щас скину опять но думаю ненадолго.

Модератор
Авто)(модер
09.04.19  | 
09.04.19 | 


to Zyaba:

Ошибка может быть и по педали. Код ошибки какой, опубликуйте.


Форум не экспертная комиссия. Все мнения и советы имеют рекомендательный характер. Ответственность за принятые решения по ремонту, лежит полностью на пользователе.
Zyaba
09.04.19  | 
09.04.19 | 
Да бывает на педаль жмеш она пр тормаживает потом прям выстреливает не удобно прям
Zyaba
09.04.19  | 
09.04.19 | 
А ездил снимать ошибку сказали что заслонка ошибку не записал
Модератор
Авто)(модер
09.04.19  | 
09.04.19 | 
Zyaba: А ездил снимать ошибку сказали что заслонка ошибку не записал #

Нужно было записать. Помыть заслонку они вам не предлагали??


Форум не экспертная комиссия. Все мнения и советы имеют рекомендательный характер. Ответственность за принятые решения по ремонту, лежит полностью на пользователе.
Zyaba
10.04.19  | 
10.04.19 | 
Нет снял ошибку и все говорит посмотрим как выскакивает переодичность во спец интересный
Модератор
Авто)(модер
10.04.19  | 
10.04.19 | 
Zyaba: спец интересный #

"Отмазался". Они не любят периодические неисправности искать. Возни много, денег мало.


Форум не экспертная комиссия. Все мнения и советы имеют рекомендательный характер. Ответственность за принятые решения по ремонту, лежит полностью на пользователе.
Zyaba
10.04.19  | 
10.04.19 | 
Посоветуйте как быть
Модератор
Авто)(модер
11.04.19  | 
11.04.19 | 
Zyaba: Посоветуйте как быть

Можно самому проверить, не клинит ли сама заслонка из-за загрязнения, или из-за износа оси вращения.

Проверить состояние проводки; к педали, к заслонке и к ЭБУ, чистоту и надёжность их разъёмов.

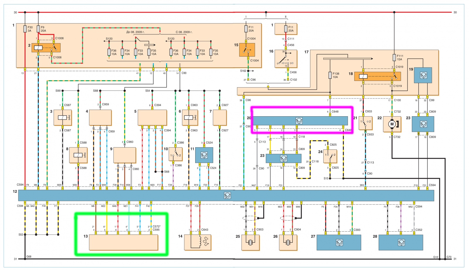
Виновником проблемы на вторых Фокусах может быть и "приборка", т.к. часть связи между выше перечисленной "троицей" идёт через неё. (смотреть схему)

№13 узел заслонки, №20, узел педали.


Форум не экспертная комиссия. Все мнения и советы имеют рекомендательный характер. Ответственность за принятые решения по ремонту, лежит полностью на пользователе.
Zyaba
11.04.19  | 
11.04.19 | 
Спасибо проверю
Zyaba
13.04.19  | 
13.04.19 | 
Всем доброго почистил заслонку убрал ошибку какаято не понятная ошибка PO400 ели не ошибаюсь .вообще не пойму счем связана. именения заметны конечно ,посмотрю как себя будет вести
Модератор
Авто)(модер
13.04.19  | 
13.04.19 | 
Zyaba: какаято не понятная ошибка PO400 ели не ошибаюсь .вообще не пойму счем связана. #

Вполне понятная ошибка, Р0400 по системе рециркуляции выхлопных газов.


Форум не экспертная комиссия. Все мнения и советы имеют рекомендательный характер. Ответственность за принятые решения по ремонту, лежит полностью на пользователе.
Zyaba
13.04.19  | 
13.04.19 | 
Да но специалист так и непонял че делать)) искали клапан но увы так что я пока внепонятках что это значит
Модератор
Авто)(модер
14.04.19  | 
14.04.19 | 
Zyaba: специалист так и непонял че делать искали клапан

Если этот "специалист" не знает, стоИт ли на вашей модели движка система рециркуляции, то может стОит обратиться к другому. Модель движка, кстати, опубликуйте.


Форум не экспертная комиссия. Все мнения и советы имеют рекомендательный характер. Ответственность за принятые решения по ремонту, лежит полностью на пользователе.
Zyaba
14.04.19  | 
14.04.19 | 
Форд фокус 2 , 2.0 дуратек
Модератор
Авто)(модер
14.04.19  | 
14.04.19 | 
Zyaba: Форд фокус 2 , 2.0 дуратек

Модель двигателя выглядит так - Duratec HE 2.0 / MZR LF, если у вас такой то ↓


Форум не экспертная комиссия. Все мнения и советы имеют рекомендательный характер. Ответственность за принятые решения по ремонту, лежит полностью на пользователе.
Zyaba
15.04.19  | 
15.04.19 | 
Вроде похож , ее я так понимаю тоже промывать нужно?
Модератор
Авто)(модер
15.04.19  | 
15.04.19 | 


to Zyaba:

Чистить, если клапан живой. Можно удалить систему целиком, но желательно, не только физически, а и программно тоже. (чтобы избавиться от ошибок в дальнейшем)


Форум не экспертная комиссия. Все мнения и советы имеют рекомендательный характер. Ответственность за принятые решения по ремонту, лежит полностью на пользователе.


ПОИСК ПО САЙТУ


Наши автомобильные эксперты отвечают на все ваши вопросы. Зарегистрируйтесь и задайте вопрос.

Справочник такси поможет вызвать такси в вашем городе максимально дешево и быстро:


МЫ В СОЦ.СЕТЯХ
zen
pulse
telegram
vk

2007—2022. Сетевое издание «Автопипл». Возрастные ограничения: 16+
Почта редакции hkdkest@mail.ru
Телефон +7(499)490-76-06