Что такое ABS

Shery


(Anti-Lock Brake System) - антиблокировочная тормозная система (АБС) 


Главная задача этой системы - предотвратить полную блокировку колес пр внезапном торможении. Как результат, резкое движение на тормоз приведет не постоянному заблокированию тормозного диска, а к серии коротких, что значительно улучшает упрвляемость автомобилем и, соответсвенно, безопасность движения. Рассмотрим следующую ситуацию: водитель на скорости вдруг (может, это пешеход переходил дорогу в непредназначенном для этого состоянии) резко ударяет по тормозам. И что происходит? Колеса заклинивает, машина идет юзом и тормозной путь возрастает в разы. Это в лучшем случае. В худшем - машина попросту вылеит с дороги. А с этой системы у водителя останется контроль над машин6ой и дорогой и ему, возможно, удастся успешно завершить маневр.

zezdets
21.04.11  | 
21.04.11 | 

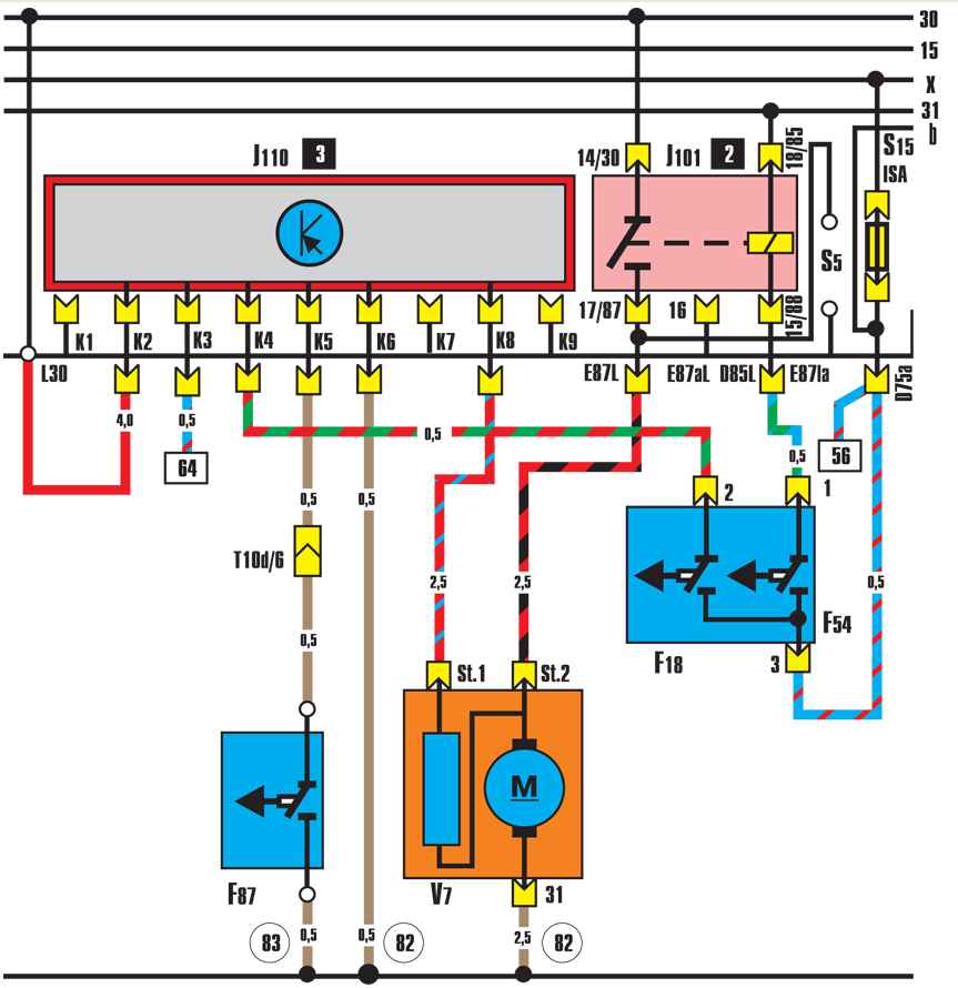
где находится реле j110

mATr1xX
21.04.11  | 
21.04.11 | 


to zezdets: какая машина модель ? марка год? Могу догадаться что у вас Audi.

На данной части почти все точно, только контакты реле первой скорости J110 не подписаны, она вовсе не J110, а J138, и провод к датчику температуры воздуха под капотом F87 коричневый (а на самом деле он коричнево серый).


zezdets
21.04.11  | 
21.04.11 | 


to mATr1xX:ауди а6 96г переходка

mATr1xX
21.04.11  | 
21.04.11 | 


to zezdets: посмотрите по схеме ? должно подойти.

zezdets
21.04.11  | 
21.04.11 | 


to mATr1xX:не подскажеш реле j106 ABS

mATr1xX
21.04.11  | 
21.04.11 | 


to zezdets: да j106 Реле электромагнитного клапана ABS. Или вам схему положения?

zezdets
21.04.11  | 
21.04.11 | 


to mATr1xX:желательно схему зарание спасиба

mATr1xX
21.04.11  | 
21.04.11 | 


to zezdets: на примере А8 Это реле встроено в гидроблок АБС под капотом, называется "электромагнитное реле клапана J106. либо же j 106 находится в салоне, под реле j105



ПОИСК ПО САЙТУ


Наши автомобильные эксперты отвечают на все ваши вопросы. Зарегистрируйтесь и задайте вопрос.

Справочник такси поможет вызвать такси в вашем городе максимально дешево и быстро:


МЫ В СОЦ.СЕТЯХ
zen
pulse
telegram
vk

2007—2022. Сетевое издание «Автопипл». Возрастные ограничения: 16+
Почта редакции hkdkest@mail.ru
Телефон +7(499)490-76-06