Не заводится Daewoo Nexia

gadget999

всем привет!нужен совет!!!вобщем проблема такова.нексия 16 клапанов не заводиться чек не горит насос не включается через контрольку на массу насос включается на колодке мозга нет питания на 30 клемме подавал принудительно всё равно нет изменений с контактной группы всё идёт будьте любезны помогите???

Модератор
Авто)(модер
03.03.17  | 
03.03.17 | 


to gadget999:

Сигналка или иммобилайзер (если стоит) заблокировали запуск. Стартер крутит??


Форум не экспертная комиссия. Все мнения и советы имеют рекомендательный характер. Ответственность за принятые решения по ремонту, лежит полностью на пользователе.
gadget999
03.03.17  | 
03.03.17 | 

добрый день!!!стартер крутит сигналку отключил

gadget999
03.03.17  | 
03.03.17 | 

в чера подогнал такуе же нексию проверил мозг работае с клемника списал все плюсы и минусы при включеном зажигании всё есть кроме 30 клемы нет плюса подал пренудительно не чего не изменилось

gadget999
03.03.17  | 
03.03.17 | 

не пайму в чём дело 5 день копаюсь хочу сегодня праводку вытащить прозвонить мож где сгнила???

Модератор
Авто)(модер
03.03.17  | 
03.03.17 | 
gadget999: сигналку отключил

Отключить и удалить физически (или хотя бы перемкнуть цепи блокировки) не одно и то же.

gadget999: всё есть кроме 30 клемы нет плюса подал пренудительно не чего не изменилось

Та же сигналка, или иммобилайзер, блокируют не только питание ЭБУ, а и зажигание, и форсунки. Не ответили, иммобилайзер стоит на машине??


Форум не экспертная комиссия. Все мнения и советы имеют рекомендательный характер. Ответственность за принятые решения по ремонту, лежит полностью на пользователе.
Модератор
Авто)(модер
03.03.17  | 
03.03.17 | 
gadget999: не пайму в чом дело 5 день копаюсь хочу сегодня праводку вытащить прозвонить мож где згнила??? #

Подкапотный жгут, есть смысл проверить.


Форум не экспертная комиссия. Все мнения и советы имеют рекомендательный характер. Ответственность за принятые решения по ремонту, лежит полностью на пользователе.
gadget999
03.03.17  | 
03.03.17 | 
Думаю стоит защиты нет посмотрел в низу гофра набитая грязью
gadget999
03.03.17  | 
03.03.17 | 

Релюшек от сигналки нет автозапуск отсоеденил а иммобилайзер у них с рождения не предусмотрен

gadget999
03.03.17  | 
03.03.17 | 

нашёл только сгнивший провод как раз с раздвоением в перемычке и сгнил но это 30 контакт нашёлся а толков нет и на катушках и форсунках то же нет буду рыть глубже

gadget999
04.03.17  | 
04.03.17 | 

добрый вечер есть ли у каго распиновка на 16 кл нексия???заранее блогодарю!!!

Модератор
Авто)(модер
04.03.17  | 
04.03.17 | 
gadget999: есть ли у каго распиновка на 16 кл нексия? #

Распиновка чего??


Форум не экспертная комиссия. Все мнения и советы имеют рекомендательный характер. Ответственность за принятые решения по ремонту, лежит полностью на пользователе.
gadget999
05.03.17  | 
05.03.17 | 

да распиновка контактов мозга нексия уже пол праводки вскрыл но пока не чего не нашёл смотрел реле на форсунки и катушки ано включается через мозги минусом но при включении зажигания не чего не меняеться

gadget999
05.03.17  | 
05.03.17 | 

искал в нете не нашол распиновку мозга 16 клапанов если есть возможность помогите

Модератор
Авто)(модер
05.03.17  | 
05.03.17 | 
gadget999: смотрел реле на форсунки и катушки ано включается через мозги минусом но при включении зажигания не чего не меняеться #

Если плюса нет на "мозгах" не появится и управляющий минус.

Предохранители-то все в норме. (не "щупать" - прозвонить контролькой)


Форум не экспертная комиссия. Все мнения и советы имеют рекомендательный характер. Ответственность за принятые решения по ремонту, лежит полностью на пользователе.
gadget999
05.03.17  | 
05.03.17 | 

вот и надо распиновку мозга что бы найти чего не хватает

Модератор
Авто)(модер
06.03.17  | 
06.03.17 | 
gadget999: вот и надо распиновку мозга что бы найти чего не хватает #

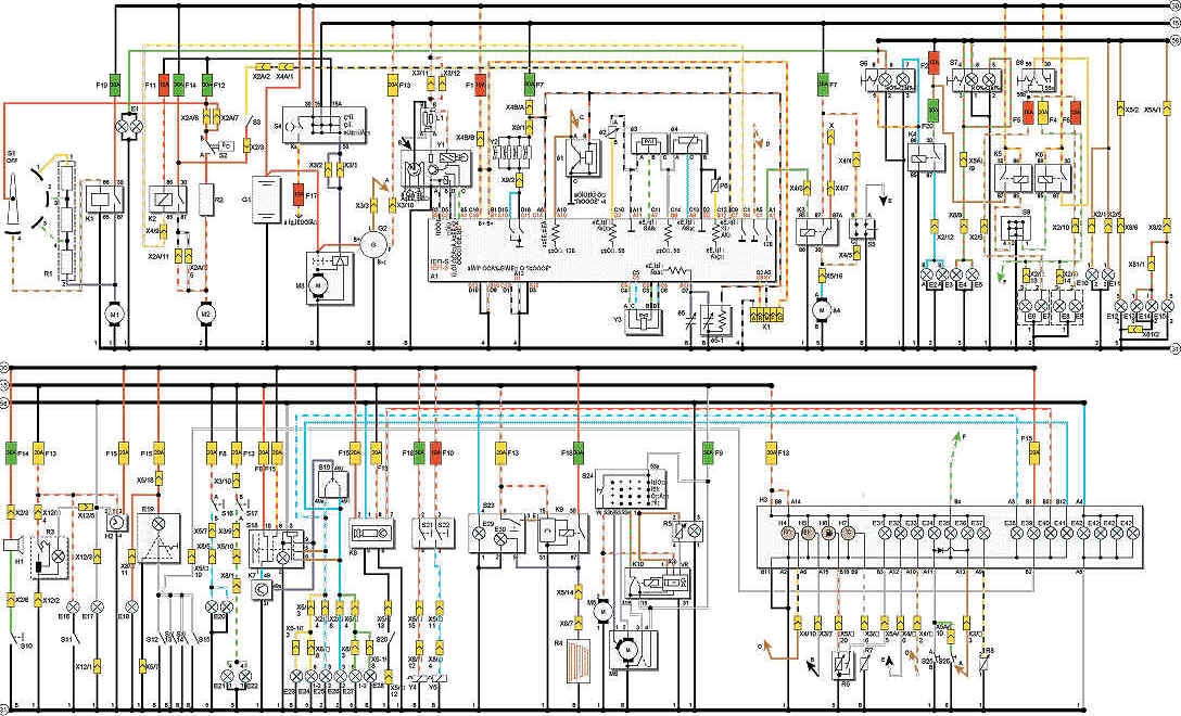
Все основные подключения видны на общей схеме, но в разъёмы ЭБУ следует лезть в последнюю очередь.


Форум не экспертная комиссия. Все мнения и советы имеют рекомендательный характер. Ответственность за принятые решения по ремонту, лежит полностью на пользователе.
gadget999
12.03.17  | 
12.03.17 | 

всё, проблема решена плохой контакт в разъёме мозга, всем спс

Модератор
Авто)(модер
12.03.17  | 
12.03.17 | 
gadget999: всё, проблема решена плохой контакт в разъёме мозга, всем спс #

И марсианам спс. Спасибо, что отписались.


Форум не экспертная комиссия. Все мнения и советы имеют рекомендательный характер. Ответственность за принятые решения по ремонту, лежит полностью на пользователе.


ПОИСК ПО САЙТУ


Наши автомобильные эксперты отвечают на все ваши вопросы. Зарегистрируйтесь и задайте вопрос.

Справочник такси поможет вызвать такси в вашем городе максимально дешево и быстро:


МЫ В СОЦ.СЕТЯХ
zen
pulse
telegram
vk

2007—2022. Сетевое издание «Автопипл». Возрастные ограничения: 16+
Почта редакции hkdkest@mail.ru
Телефон +7(499)490-76-06