Как продиагностировать ABS на Daewoo Leganza? Daewoo Leganza

alekscar
06.08.13  | 
06.08.13 | 


to akulinichev:

это значит блок АБС глючит - если еще спидометр работает, то не все потеряно.

voltik
06.08.13  | 
06.08.13 | 


to alekscar:

Спидометр никакого отношения к АВС не имеет.

voltik
06.08.13  | 
06.08.13 | 


to akulinichev:


Сначала надо подходящее питание на блоке проверить, потом уже думать о ремонте блока, замена это уже последнее.

akulinichev
06.08.13  | 
06.08.13 | 
вообщем канители много,буду разбиратся.
voltik
06.08.13  | 
06.08.13 | 


to akulinichev:

Сначало проверяй цепь лампочки неисправности АВС, при отсоединенном блоке она должна гореть.

karel1973
06.08.13  | 
06.08.13 | 

Такое ощущение, что тут все по диагонали читают!

akulinichev
06.08.13  | 
06.08.13 | 
хорошо проверю лампочку потом отпишусь
voltik
06.08.13  | 
06.08.13 | 


to akulinichev:

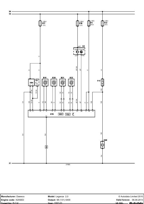
У тебя схема поключения АВС есть?

akulinichev
06.08.13  | 
06.08.13 | 
нет нету(((
karel1973
06.08.13  | 
06.08.13 | 

Я еще вчера спрашивал-куда схему выкладывать!?

akulinichev
07.08.13  | 
07.08.13 | 
скинь на почту akula82@bk.ru
karel1973
07.08.13  | 
07.08.13 | 

послал

akulinichev
07.08.13  | 
07.08.13 | 
спасибо получил)))
toshka
07.08.13  | 
07.08.13 | 
лампочка должна гореть полюбому! начни с лампочки.
эксперт раздела
«Автосервис»
xekxek
07.08.13  | 
07.08.13 | 


to karel1973:
to akulinichev:

Ребят,нажимайте кнопку "Ответ" человека,которому даете ответ.

Так же можете скинуть мне на почту(схему) я ее вставлю сюда(всем полезно будет)

xekxek@mail.ru

karel1973
07.08.13  | 
07.08.13 | 


to xekxek: Отправил. А почему здесь нельзя положить?

alekscar
07.08.13  | 
07.08.13 | 


to karel1973: Вам просто модераторы сделают все в лучшем виде!

karel1973
07.08.13  | 
07.08.13 | 


to alekscar: Да она у меня и так в лучшем виде-в первоисточнике, так сказать))) простите, не удержался)))

Кстати, а в моем объявлении о продаже мотора можно фотки прикрепить?

а в моем объявлении о продаже мотора можно фотки прикрепить?

Да сколько душе угодно!

Отредактировал "xekxek"

alekscar
07.08.13  | 
07.08.13 | 


to karel1973: прикрепляйте, если что поправим!

karel1973
07.08.13  | 
07.08.13 | 

Попробовал-мелкие какие то!?



ПОИСК ПО САЙТУ


Наши автомобильные эксперты отвечают на все ваши вопросы. Зарегистрируйтесь и задайте вопрос.

Справочник такси поможет вызвать такси в вашем городе максимально дешево и быстро:


МЫ В СОЦ.СЕТЯХ
zen
pulse
telegram
vk

2007—2022. Сетевое издание «Автопипл». Возрастные ограничения: 16+
Почта редакции hkdkest@mail.ru
Телефон +7(499)490-76-06