Нет питания на лампу кнопки аварийки Chevrolet Lacetti

scorpion061

Лампа рабочая, аварийка работает, а сама лампочка в кнопке не горит.

Модератор
Авто)(модер
27.06.18  | 
27.06.18 | 

to scorpion061:

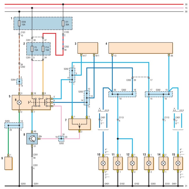
Схемой предусмотрена только её подсветка, питается через — блок №4 управления автомобильной противоугонной сигнализацией (смотреть схему) Проверьте, приходит ли минус. (масса)

Схема включения указателей поворотов и аварийной сигнализации: 1 — монтажный блок реле и предохранителей в моторном отсеке; 2 — монтажный блок предохранителей в салоне; 3 — комбинация приборов; 4 — блок управления автомобильной противоугонной сигнализацией; 5 — выключатель аварийной сигнализации; 6 — лампа подсветки выключателя; 7 — выключатель указателей поворотов в левом подрулевом переключателе; 8 — реле указателей поворотов; 9 — регулятор яркости подсветки приборов; 10 — лампа указателя поворота в правом заднем фонаре; 11 — лампа указателя поворота в правой блок-фаре; 12 — лампа правого бокового указателя поворота; 13 — лампа левого бокового указателя поворота; 14 — лампа указателя поворота в левой блок-фаре; 15 — лампа указателя поворота в левом заднем фонаре


Форум не экспертная комиссия. Все мнения и советы имеют рекомендательный характер. Ответственность за принятые решения по ремонту, лежит полностью на пользователе.


ПОИСК ПО САЙТУ


Наши автомобильные эксперты отвечают на все ваши вопросы. Зарегистрируйтесь и задайте вопрос.

Справочник такси поможет вызвать такси в вашем городе максимально дешево и быстро:


МЫ В СОЦ.СЕТЯХ
zen
pulse
telegram
vk

2007—2022. Сетевое издание «Автопипл». Возрастные ограничения: 16+
Почта редакции hkdkest@mail.ru
Телефон +7(499)490-76-06